TO-220封装大功率电阻特征Features
l 20,30,50,100 瓦Watts
l ±1%,±5%,±10% 精度Tolerance
l 按功率封装TO-220style power package
l 电阻温度系数Resistance wire TCR±50ppm/℃
l 阻值低至0.05欧
l Resistance values down to 0R001 ohms
l 符合R0HS要求lead-free
l 特殊规格可以订做

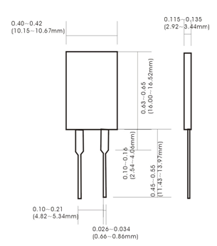
标示方法 Part Numbering 规格Dimensions
YPR | 20 | J | B | D | 1001 |
1 | 2 | 3 | 4 | 5 | 6 |
1 Product Type | |||||
Product Type | |||||
YPR | TO-220 Power Resistors | ||||
2 Power | |||||
Codes | Power Rating | ||||
20 | |||||
3 Resistance Tolerance | |||||
Codes | Resistance Tolerance | ||||
D | ±0.5% | ||||
F | ±1% | ||||
G | ±2% | ||||
J | ±5% | ||||
K | ±10% | ||||
4 Packaging | |||||
Code | Type | ||||
T | Tube | ||||
B | Bulk | ||||
5 TCR | |||||
Codes | Type | ||||
D | ±50ppm/℃ | ||||
E | ±100ppm/℃ | ||||
F | ±200ppm/℃ | ||||
- | No specified | ||||
6 Resistance | |||||
Codes | Type | ||||
0R10 | 0.1Ω | ||||
0100 | 10Ω | ||||
4700 | 470Ω | ||||
1001 | 1000Ω | ||||
1002 | 10000Ω | ||||
功率曲线Power Derating
电气参数 Electrical data
电气特性规格 Electrical Characteristics Specifications
Resistance Range | Resistance Tolerance | TCR(PPM/℃) |
0.05Ω~1Ω | ±5.00% ±10.0% | -- |
2Ω~5Ω | ±1.00% ±5.00% ±10.0% | ±200 |
5Ω~10Ω | ±1.00% ±5.00% ±10.0% | ±100 ±200 |
11Ω~10KΩ | ±0.50% ±1.00% ±50.00% ±10.0% | ±50 ±100 ±200 |
l Operating Voltage:350v max.
l Dielectric Strength:1800VAC
l Insulation Resistance:10GΩmin.
l Working Temperature Range:-65℃ to+150℃
l Resistance Value<1Ω is Available
环境特性Environmental Characteristics
Test Item | Specification | Test Method |
Temperature Coefficient of Resistance | 10Ωand above,±50ppm/℃ 1Ωand 10Ω,±100ppm/℃ | Referenced to 25℃,△R taken at + 105℃ |
Short Time Overload | △R±0.3% | 2 times rated power with applied voltage not to exceed 1.5 times maximum continuous operating voltage for 5 seconds |
Load Life | △R±1.0% | MIL-R-39009,2,000 hours at rated power |
Humidity(Steady State) | △R±0.5% | MIL-STD-202F,Method 103B 40℃,90~95%RH,RCWV 105hours ON,0.5hours OFF.dotal 1000~1048 hours |
Thermal Shock | △R±0.3% | MIL-STD-202,Method,107G.-65℃~150℃,100cycle |
Thermal Strength | △R±0.2% | MIL-STD-202,Method211,cond.A(Pull Test)2.4N. |
Vibration,High Frequency | △R±0.2% | MIL-STD-202,Method 204,Cond.D. |
l Lead Material:Tinned Copper
l Maximum Torque:0.9 N-m
l Without a Heat Sink,when in Free Air at 25℃,the TR50 is Rated for 3W.
l The Case Temperature is to be used for the Definition of the Applied Power Limit.
l The Case Temperature Measurement Must be Made with a Thermocouple Contacting the Center of the Component Mounted on the Designed Heat Sink
l Thermal Grease Should be Applied Properly
应用范围Application
l Gate Resistors in power supplies.
l Snubbers.
l Load and Dumping Resistors in CRT Monitors.
l Terminal Resistance in RF power Amplifiers.
l Voltage Regulation.
l Low Energy pulse loading.
UPS